TEL.0266-72-0009
TOP
会社案内
製品紹介
設備紹介
ハンドプレス
多角形チャック
農業機器関連
お客様の声
採用情報
お問い合わせ
エコアクション
新着情報
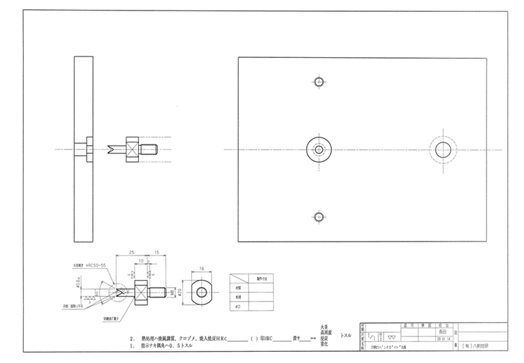
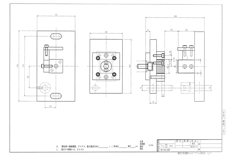
HAND PRESS
ハンドプレス
曲げ・絞りセット治具
● 穴あけ治具
● 丸絞り治具
● 角絞り治具
● その他
ステンレス製ハンドプレス
フィルムシートカットハンドプレス
懐を延長したハンドプレス
ウレタンゴム穴あけハンドプレス
エアーダクトカットハンドプレス
革製品に熱により折り目をつける
ハンドプレス